去年の今頃は ジェットの組み立てに熱中して
ブログの更新も 頻繁に行っていたのですが
最近は ブログを書くの億劫になって怠けていました
先ほど自分のブログを見たとき ブログの先頭に
広告が表示されていました
3ヶ月以上更新しないと 広告が載るらしいです(汗
細々と運営しているこんなブログでも日に数人は訪れてくれるので
頑張って 更新していきます。
さて 最近の私は 数年ぶりにスキーにはまっていました。
若いころは シーズン30日は通っていたスキーも
ここ数年は年1~2ぐらいのペースです
去年もブログに一寸だけ書いていたのですが
娘にスキーを教える為 何度か近くのスキー場に行きましたが
リフトにも乗らずに 下のほうで練習するだけでした
今年は娘もかなり上達し 一緒にリフトに乗って滑れるぐらいになり
手がかからなくなった分 自分のすべりも楽しむことが出来
親父一人で ナイターに出かけていました
近くのローカルスキー場は ナイターでも結構混んでいて
スキーを楽しむ人は結構多いんだなと 思っていましたが
よくみると 同世代の人の割合が多く 若者は少ない印象です
最近は遊びの種類も豊富で わざわざ寒い雪山へ行く人は
少なくなったのかもしれません。
話変わってジェットですが 去年最後に乗ったままオイル漬けにして
仕舞ったままです そろそろ陽気もよくなりだして うずうずしてきました
来週あたり引っ張り出して メンテしよう......
ブログの更新も 頻繁に行っていたのですが
最近は ブログを書くの億劫になって怠けていました
先ほど自分のブログを見たとき ブログの先頭に
広告が表示されていました
3ヶ月以上更新しないと 広告が載るらしいです(汗
細々と運営しているこんなブログでも日に数人は訪れてくれるので
頑張って 更新していきます。
さて 最近の私は 数年ぶりにスキーにはまっていました。
若いころは シーズン30日は通っていたスキーも
ここ数年は年1~2ぐらいのペースです
去年もブログに一寸だけ書いていたのですが
娘にスキーを教える為 何度か近くのスキー場に行きましたが
リフトにも乗らずに 下のほうで練習するだけでした
今年は娘もかなり上達し 一緒にリフトに乗って滑れるぐらいになり
手がかからなくなった分 自分のすべりも楽しむことが出来
親父一人で ナイターに出かけていました
近くのローカルスキー場は ナイターでも結構混んでいて
スキーを楽しむ人は結構多いんだなと 思っていましたが
よくみると 同世代の人の割合が多く 若者は少ない印象です
最近は遊びの種類も豊富で わざわざ寒い雪山へ行く人は
少なくなったのかもしれません。
話変わってジェットですが 去年最後に乗ったままオイル漬けにして
仕舞ったままです そろそろ陽気もよくなりだして うずうずしてきました
来週あたり引っ張り出して メンテしよう......
2系統給水の改造も終えて
3回目のテスト走行です
結構仕事が詰まっていて なかなか乗りに行く
時間が取れませんでしたけど 平日の夕方に
また行ってきました。
結果はビンゴでした
冷却効率が上がったことにより ジェットセットも
最初のセットまで 戻りました
MJ→135
PJ→120
スクリューほどほど
低速はやや濃い目でしたが
高速は パキーンと吹けあがるようになりました
後にPJ→115でほぼいい感じです
やっと本来の760ccのパワーを体感できた感じです
私のエンジンは キャブが44改造なので
元々低中速のレスポンスは良かったので
高速が エンドまできちんと回るようになって
見違えるようです
ボアアップによる熱量アップで 後ろのシリンダーが
オーバーヒート気味だったようです
エンジンの温度が下がり 気筒間の温度差も
平均したことにより 燃焼効率が 大幅に向上したようです
ほんの少し PJからMJへのつながりで トルクの谷が
ありますが 私以外は気づかない程度なので
暫らくはこのセッティングで 行きます
つづく
3回目のテスト走行です
結構仕事が詰まっていて なかなか乗りに行く
時間が取れませんでしたけど 平日の夕方に
また行ってきました。
結果はビンゴでした
冷却効率が上がったことにより ジェットセットも
最初のセットまで 戻りました
MJ→135
PJ→120
スクリューほどほど
低速はやや濃い目でしたが
高速は パキーンと吹けあがるようになりました
後にPJ→115でほぼいい感じです
やっと本来の760ccのパワーを体感できた感じです
私のエンジンは キャブが44改造なので
元々低中速のレスポンスは良かったので
高速が エンドまできちんと回るようになって
見違えるようです
ボアアップによる熱量アップで 後ろのシリンダーが
オーバーヒート気味だったようです
エンジンの温度が下がり 気筒間の温度差も
平均したことにより 燃焼効率が 大幅に向上したようです
ほんの少し PJからMJへのつながりで トルクの谷が
ありますが 私以外は気づかない程度なので
暫らくはこのセッティングで 行きます
つづく
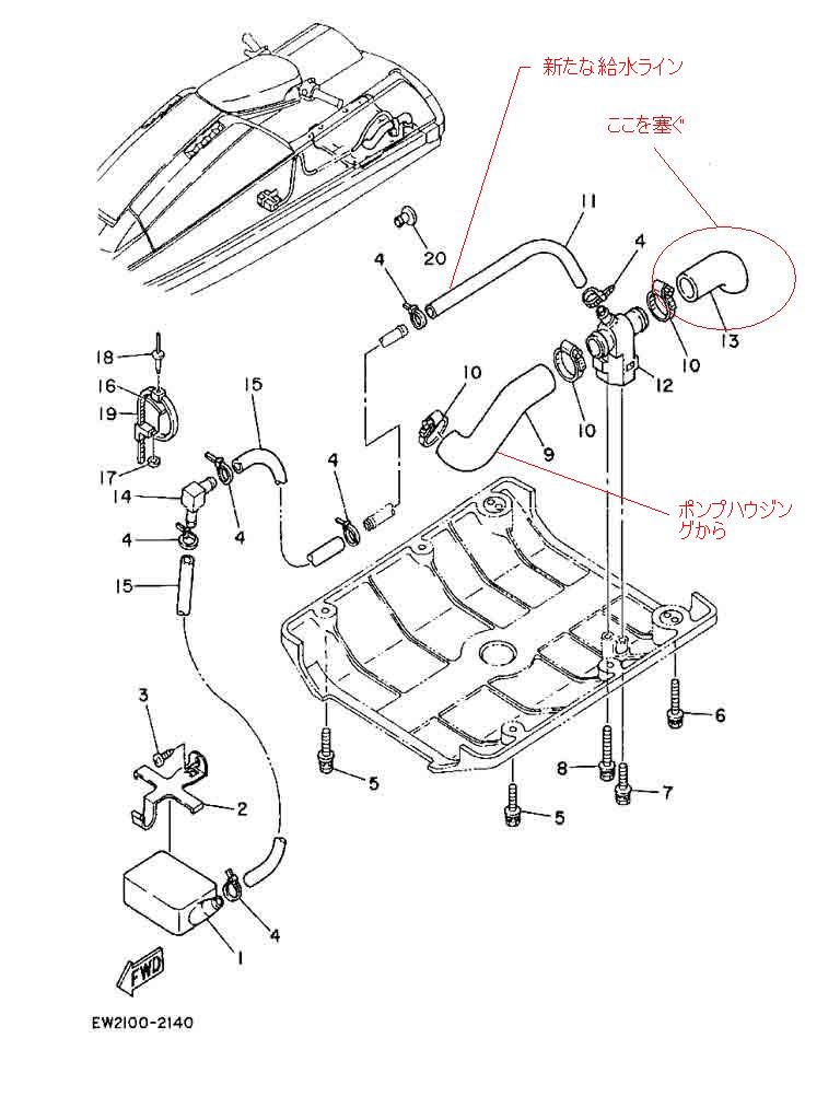
2系統冷却の改造は 私の旧型SJの場合
負圧ビルジが 現行モデルとは異なり
ポンプハウジングに20mmぐらいのバイパス
ホースが 付いており そこからポンプの
脇を通って 後方へ排水しています
排水の途中で 口径を絞って 流速を高め
そこにピックアップをつけてエンジンルームへ
つづいています
後方のホース出口をふさぐことにより ポンプ圧の
かかった 水が ビルジホースへ流れ込みます

新たに引き込んだ冷却水は エンジンルームで
2つに分けて 一方はエキゾーストマニホールドの
ピックアップへ
もう一方はヘッドパイプへと分けました
プロテックのエキマニは冷却水のピックアップが
はじめから2ヶ所あるので 工事はとても簡単に
終わりました。
つづく
負圧ビルジが 現行モデルとは異なり
ポンプハウジングに20mmぐらいのバイパス
ホースが 付いており そこからポンプの
脇を通って 後方へ排水しています
排水の途中で 口径を絞って 流速を高め
そこにピックアップをつけてエンジンルームへ
つづいています
後方のホース出口をふさぐことにより ポンプ圧の
かかった 水が ビルジホースへ流れ込みます
新たに引き込んだ冷却水は エンジンルームで
2つに分けて 一方はエキゾーストマニホールドの
ピックアップへ
もう一方はヘッドパイプへと分けました
プロテックのエキマニは冷却水のピックアップが
はじめから2ヶ所あるので 工事はとても簡単に
終わりました。
つづく
2回目の走行を終えて ゲレンデで行った作業
と フィーリングを書いたメモを見ながら
色々悩み考えました
MJ130ぐらい入れていれば スクリューを開けば
カブリ気味になるので 燃料が足りないということは
なさそうだし
番手を下げていくと 前側のプラグがやばそうなぐらい
真っ白になってきます
再度圧縮を計って見ると 前後共に13.8Kgぐらいで
揃っているので シリンダー ピストンも 問題なさそうです
点火系 リードバルブ 色々チェックしても 特に不具合は
見当たりません
悩みに悩んで あることに気が付きました
もしかしたら エンジン温度の前後差が 大きいのではと
そこで給水を2系統に増やし エンジン全体の温度を下げ
前後の冷却が揃うようにバイパスも前後2箇所から行い
ヘッドパイプへは独立して 冷却水を送るように改造しました
幸い旧型SJのポンプには 負圧ビルジ用のピックアップが
最初から付いているので かんたんに冷却水をエンジンルームに
引き込むことが出来ました
つづく
と フィーリングを書いたメモを見ながら
色々悩み考えました
MJ130ぐらい入れていれば スクリューを開けば
カブリ気味になるので 燃料が足りないということは
なさそうだし
番手を下げていくと 前側のプラグがやばそうなぐらい
真っ白になってきます
再度圧縮を計って見ると 前後共に13.8Kgぐらいで
揃っているので シリンダー ピストンも 問題なさそうです
点火系 リードバルブ 色々チェックしても 特に不具合は
見当たりません
悩みに悩んで あることに気が付きました
もしかしたら エンジン温度の前後差が 大きいのではと
そこで給水を2系統に増やし エンジン全体の温度を下げ
前後の冷却が揃うようにバイパスも前後2箇所から行い
ヘッドパイプへは独立して 冷却水を送るように改造しました
幸い旧型SJのポンプには 負圧ビルジ用のピックアップが
最初から付いているので かんたんに冷却水をエンジンルームに
引き込むことが出来ました
つづく
- ABOUT
主にミクシィの記事をこちらに転載しています。
趣味のジェットの記事(貧乏チューニング)を中心に色々書いています
愛機はMJ-650SJ改760とMJ-700FX(製作途中)です
- プロフィール
HN:
G13(デューク トウゴウ)
性別:
男性
職業:
サービス販売
趣味:
ジェット バイク
- カレンダー
| 02 | 2026/03 | 04 |
| S | M | T | W | T | F | S |
|---|---|---|---|---|---|---|
| 1 | 2 | 3 | 4 | 5 | 6 | 7 |
| 8 | 9 | 10 | 11 | 12 | 13 | 14 |
| 15 | 16 | 17 | 18 | 19 | 20 | 21 |
| 22 | 23 | 24 | 25 | 26 | 27 | 28 |
| 29 | 30 | 31 |
- リンク
- 最新コメント
[08/15 lfarbyefhm]
[08/14 ofbyadlsde]
[05/07 ulveafhozz]
[05/07 kcsdysvfyq]
[05/07 vqxdgedrau]
- 最新記事
(01/24)
(01/24)
(01/14)
(01/06)
(07/30)
(07/16)
- 最新トラックバック
- アーカイブ
- アクセス解析
- カウンター